Cheville à frapper EA II Fischer pour carotteuses et scies murales
| Homologation ETE | Oui |
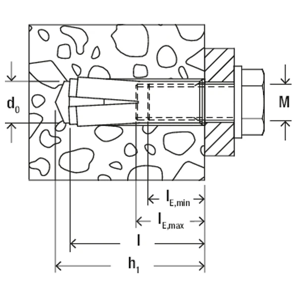
| Diamètre nominal du foret | 16 mm |
| Longueur de cheville – l | 50 mm |
| Taraudage – A1 | M12 |
| Profondeur de vissage mini. – lE,min | 12 mm |
| Profondeur de vissage maxi. – lE,max | 22 mm |
Applications :
- Tuyaux et systèmes de ventilation
- Sprinkler
- Chemins de câbles et échelles
- Grilles
- Constructions métalliques
- Machines
- Consoles
- Etais de coffrages
- Carotteuses et trépans
Agréée pour :
- Béton C20/25 à C50/60, fissuré et dalles alvéolaires en béton précontraint C30/37 à C50/60 pour la fixation multiple d’applications non structurelles
- Béton C20/25 à C50/60, non fissuré
Convient également pour :
- Béton C12/15
- Pierre naturelle à structure dense
Homologation :
- ETA-07/0135
- ETA-07/0142
- DoP No. 0003
- DoP No. 0044
- DoP No. 0069
Fonctionnement / Montage :
- La cheville EA II convient pour le montage en attente.
- Insérer la cheville dans le trou de forage et l’enfoncer au marteau jusqu’à affleurement de la surface du support.
- La douille d’ancrage est ensuite verrouillée avec l’outil de pose EAW H Plus (ou l’outil de pose machine EA II-SDS) et s’expanse contre les parois du béton.
- Pour assurer une expansion correcte, les outils de pose doivent marquer le bord de la cheville.
- Pour la fixation de trépans ou carotteuses, utiliser la cheville spéciale EA II M12 D avec douille renforcée.















Avis
Il n’y a pas encore d’avis.