Matériaux
- Agrée pour : béton non fissuré C2O/25 à C50/60
- Convient également pour : béton C12/15; pierre naturelle à structure dense
Pour fixer
- Construction métalliques
- Garde-corps
- Consoles
- Echelles
- Chemins de câbles
- Machines
- Escaliers
- Portails
- Façades
Fonctionnement / montage
- Le goujon FBN II convient pour le montage en attente et le montage traversant; dans certaines conditions il convient également pour le montage à distance
- Avant le montage, placer l’écrou hexagonal dans la position optimale (l’extrémité du goujon doit dépasser d’environ 3 mm de l’écrou)
- Lors du serrage, le goujon est tiré dans la bague d’expansion et l’expanse contre les parois du trou de forage
- Le marquage de tête permet un contrôle aisé de l’ancrage
- Pour l’installation en série, nous recommandons l’utilisation de l’outil de pose pour goujons d’ancrage FABS (article n°077937)
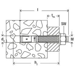
| Foret d 0 | 12 mm |
| Profondeur de perçage mini pour fixation traversante h 2 | 95 mm |
| Longueur de cheville l | 106 mm |
| Epaisseur à fixer maxi t fix | 10 / 25 |
| Filetage | M 12 x 59 mm |
| Ouverture de clé SW | 19 mm |



















Avis
Il n’y a pas encore d’avis.